• Serving clients in NC, SC, VA, FL and GA

Design Services

Providing complete electrical design services

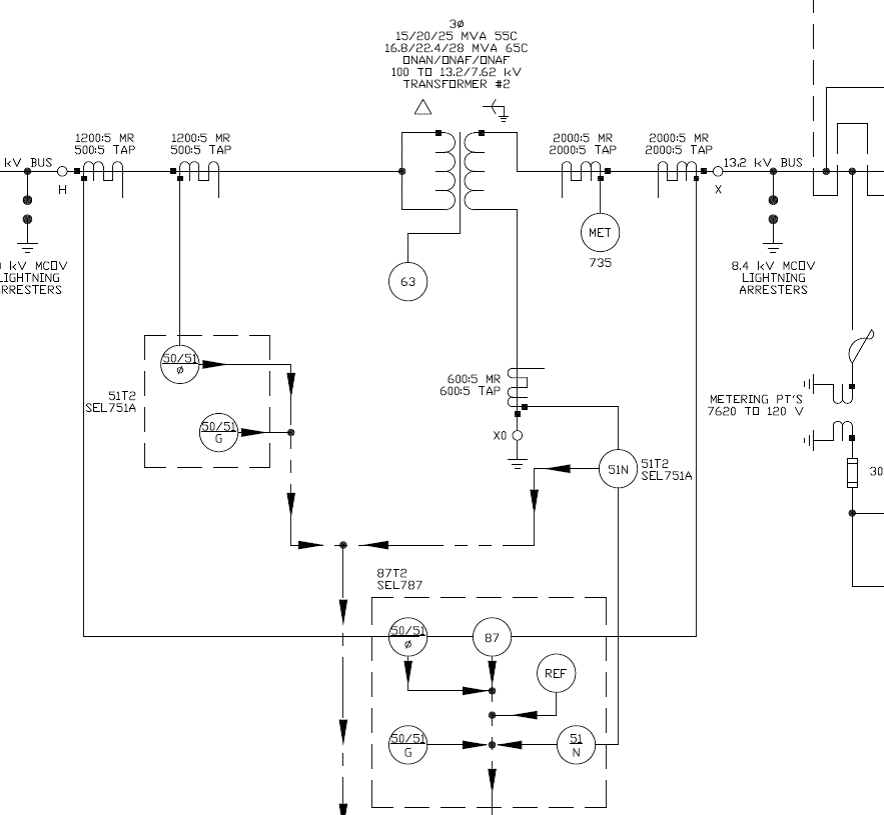
Substation Design

ELECT, P.C. provides complete substation design services, encompassing the entire process from conceptual design to equipment specifications, final BOMs, construction drawings, and commissioning and testing services.

ELECT, P.C. has designed over 50 complete distribution substations, ranging from 15kV, 5MVA to 230x115kV 50MVA.

Protective Relaying Design

Protective relays have been called the “silent sentinels” of the electric power system. As such, these devices continually monitor the electric power system for abnormal events and issue trip signals to breakers to isolate faulted portions of the system while minimizing damage and downtime for other equipment. The proper design of a protective system is the first step to ensuring appropriate system protection.

ELECT, P.C. has designed protective relaying systems for utility transmission, substations, distribution and generation. We have also designed numerous large scale industrial protective relaying systems. ELECT, P.C. has the expertise to design a protective relaying system that ensures equipment is well protected.

Relay Panel Replacement

Historically, the relays that provide critical protection to electrical distribution circuits, generators, and industrial customers were of an electromechanical design. In the mid-1980’s and 1990’s solid state protective relays became the preferred solution. Both of these designs are often nearing the end of their service life, are unreliable or inaccurate, and/or lack desired functionality. Microprocessor based relays are now the preferred solution, offering not only increased reliability, but also, far greater capabilities for monitoring, control, and analysis.

ELECT, P.C. can provide a turn-key replacement for outdated systems – we will analyze an existing protective relay system and design a new, completely tested system that provides superior protection, reliability, and functionality using state-of-the art electronic equipment. We can also assist with installation and commissioning of these systems.

Generator Systems

Generators installed on utility or industrial systems for peak shaving, co-generation, or backup present several engineering, financial, and regulatory challenges. From planning to implementation, these issues must be understood and properly addressed in order for the system to perform as intended.

Generator controls must be properly configured to achieve the desired regulation characteristics, communicate with existing control and protective systems, and properly respond to system load variations.

The protective devices installed as part of a generation package must be properly coordinated with the existing system to adequately protect both the generator and existing distribution equipment, while avoiding problems associated with backfeeding into faults, undesirable system islanding, and negatively impacting existing coordination and control systems.

From small, locally operated generators to multi-unit, fully automatic PLC-controlled power plants, ELECT, P.C. can design the generator system to meet your needs.

SCADA, Control, Metering

In today’s interconnected world, Supervisory Control and Data Acquisition (SCADA) is becoming increasingly prevalent. Generation, transmission, and distribution stations are being monitored and controlled remotely to improve system uptime and to remove utility personnel from potentially dangerous situations. Touchscreen computers in power plants and substations, using Human-Machine Interface (HMI) screens to graphically represent the station, provide a convenient and intuitive means of local monitoring and control. Historical data is maintained to aid in the troubleshooting of equipment or operational issues.

Remote or off-site control is achieved by integrating the station equipment into the existing SCADA system, providing devices that serve HMI screens via any standard web browser. This allows the owner to monitor and control the system from virtually anywhere.

Using commonly available hardware and software, ELECT, P.C. can provide a SCADA solution for any application. Our knowledge of the industry standard protocols, communications, and custom logic design mean we can integrate into your existing SCADA system or design a new system from the ground up.