Serving clients in NC, SC, VA, FL and GA
PH:
(919) 365-9775
| Email:
info@elect-pc.com
Home
Company
Overview
Industries Served
Careers
Engineering Services
Overview
Power Systems Analysis
Design Services
Power Quality Investigations
Testing & Field Services
Training Services
Overview
Training Schedule
Contact
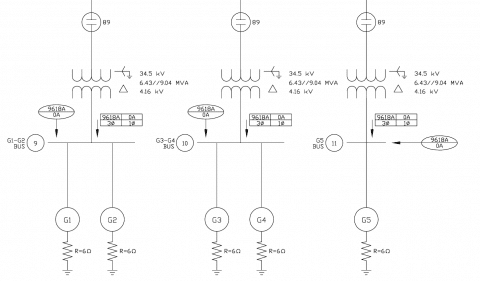
loadflow
Home
Engineering Services
Power Systems Analysis
loadflow